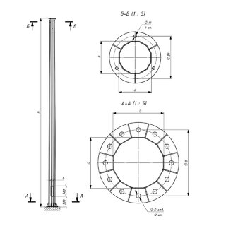
Маса опори: m=229кг / Розрахункове навантаження: P=0,4т / Розміри опори: H=9м, d=120мм, D=270мм / Розміри фланця: B=370мм, B1=190мм, Dотв=27мм, nотв=12шт. / Розміри лючка: h=500мм, b=120мм
| Маса опори | m= 229 кг |
| Розрахункове навантаження | P= 0,4 т |
Розміри опори:
| Висота опори | H= 9 м |
| Верхній діаметр опори | d= 120 мм |
| Нижній діаметр опори | D= 270 мм |
Розміри фланця:
| Міжосьова відстань отворів під кріплення нижнього фланця | В= 370 мм |
| Міжосьова відстань отворів під кріплення верхнього фланця | В1= 190 мм |
| Діаметр отворів під кріплення | Dотв= 27 мм |
| Кількість отворів під кріплення | nотв= 12 шт. |
Розміри лючка:
| Висота лючка | h= 500 мм |
| Ширина лючка | b= 120 мм |
Підбір закладних деталей:
| Тип фундаментної основи | Закладний - АВ ОБКС 12хМ24х850 |
Маса: m=68кг / Розміри: В=370мм, H=850мм, Dσ=24мм, nσ
Маса: m=10кг / Розміри: H=1000мм, В=1500мм, d=48мм ...
Маса: m=10кг / Розміри: H=1000мм, В=1500мм, d=48мм ...
Маса: m=16кг / Розміри: H=1500мм, В=2000мм, d=48мм ...
Маса: m=16кг / Розміри: H=1500мм, В=2000мм, d=48мм ...
Маса: m=20кг / Розміри: H=1000мм, В=1500мм, h=500мм, b=1000мм, d=60мм ...
Маса: m=24кг / Розміри: H=1000мм, В=2000мм, h=600мм, b=1500мм, d=60мм ...
Маса: m=35кг / Розміри: H=1000мм, В=1500мм, h=500мм, b=1000мм, d=60мм ...
Маса: m=44кг / Розміри: H=1000мм, В=2000мм, h=600мм, b=1500мм, d=60мм ...