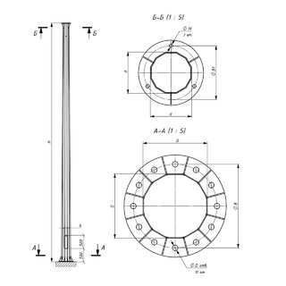
Масса опоры: m=250кг / Расчетная нагрузка: P=0,4т / Размеры опоры: H=10м, d=120мм, D=270мм / Размеры фланца: B=370мм, B1=190мм, Dотв=27мм, nотв=12шт. / Размеры лючка: h=500мм, b=120мм
| Масса опоры | m= 250 кг |
| Расчетная нагрузка | P= 0,4 т |
Размеры опоры:
| Высота опоры | H= 10 м |
| Верхний диаметр опоры | d= 120 мм |
| Нижний диаметр опоры | D= 270 мм |
Размеры фланца:
| Межосевое расстояние отверстий под крепление нижнего фланца | В= 370 мм |
| Межосевое расстояние отверстий под крепление верхнего фланца | В1= 190 мм |
| Диаметр отверстий под крепление | Dотв= 27 мм |
| Количество отверстий под крепление | nотв= 12 шт. |
Размеры лючка:
| Высота лючка | h= 500 мм |
| Ширина лючка | b= 120 мм |
Подбор закладных деталей:
| Тип фундаментного основания | Закладной - АВ ОБКС 12хМ24х850 |
Масса: m=68кг / Размеры: В=370мм, H=850мм, Dσ=24мм, nσ ...
Масса: m=10кг / Размеры: H=1000мм, В=1500мм, d=48мм ...
Масса: m=10кг / Размеры: H=1000мм, В=1500мм, d=48мм ...
Масса: m=16кг / Размеры: H=1500мм, В=2000мм, d=48мм ...
Масса: m=16кг / Размеры: H=1500мм, В=2000мм, d=48мм ...
Масса: m=20кг / Размеры: H=1000мм, В=1500мм, h=500мм, b=1000мм, d=60мм ...
Масса: m=24кг / Размеры: H=1000мм, В=2000мм, h=600мм, b=1500мм, d=60мм ...
Масса: m=35кг / Размеры: H=1000мм, В=1500мм, h=500мм, b=1000мм, d=60мм ...
Масса: m=44кг / Размеры: H=1000мм, В=2000мм, h=600мм, b=1500мм, d=60мм ...