Масса опоры: m=352кг / Расчетная нагрузка: P=1,0т / Размеры опоры: H=10м, d=120мм, D=430мм / Размеры фланца: B=530мм, B1=190мм, Dотв=33мм, nотв=12шт. / Размеры лючка: h=500мм, b=140мм
| Масса опоры | m= 352 кг |
| Расчетная нагрузка | P= 1,0 т |
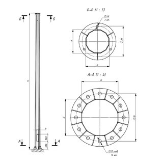
Размеры опоры:
| Высота опоры | H= 10 м |
| Верхний диаметр опоры | d= 120 мм |
| Нижний диаметр опоры | D= 430 мм |
Размеры фланца:
| Межосевое расстояние отверстий под крепление нижнего фланца | В= 530 мм |
| Межосевое расстояние отверстий под крепление верхнего фланца | В1= 190 мм |
| Диаметр отверстий под крепление | Dотв= 33 мм |
| Количество отверстий под крепление | nотв= 12 шт. |
Размеры лючка:
| Высота лючка | h= 500 мм |
| Ширина лючка | b= 140 мм |
Подбор закладных деталей:
| Тип фундаментного основания | Закладной - АВ ОБКС 12хМ30х1050 |
Масса: m=123кг / Размеры: В=530мм, H=1050мм, Dσ=30мм, nσ ...
Масса: m=10кг / Размеры: H=1000мм, В=1500мм, d=48мм ...
Масса: m=10кг / Размеры: H=1000мм, В=1500мм, d=48мм ...
Масса: m=16кг / Размеры: H=1500мм, В=2000мм, d=48мм ...
Масса: m=16кг / Размеры: H=1500мм, В=2000мм, d=48мм ...
Масса: m=20кг / Размеры: H=1000мм, В=1500мм, h=500мм, b=1000мм, d=60мм ...
Масса: m=24кг / Размеры: H=1000мм, В=2000мм, h=600мм, b=1500мм, d=60мм ...
Масса: m=35кг / Размеры: H=1000мм, В=1500мм, h=500мм, b=1000мм, d=60мм ...
Масса: m=44кг / Размеры: H=1000мм, В=2000мм, h=600мм, b=1500мм, d=60мм ...