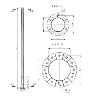
Масса опоры: m=622кг / Расчетная нагрузка: P=1,3т / Размеры опоры: H=10м, d=220мм, D=450мм / Размеры фланца: B=560мм, B1=290мм, Dотв=39мм, nотв=12шт. / Размеры лючка: h=500мм, b=140мм
| Масса опоры | m= 622 кг |
| Расчетная нагрузка | P= 1,3 т |
Размеры опоры:
| Высота опоры | H= 10 м |
| Верхний диаметр опоры | d= 220 мм |
| Нижний диаметр опоры | D= 450 мм |
Размеры фланца:
| Межосевое расстояние отверстий под крепление нижнего фланца | В= 560 мм |
| Межосевое расстояние отверстий под крепление верхнего фланца | В1= 290 мм |
| Диаметр отверстий под крепление | Dотв= 39 мм |
| Количество отверстий под крепление | nотв= 12 шт. |
Размеры лючка:
| Высота лючка | h= 500 мм |
| Ширина лючка | b= 140 мм |
Подбор закладных деталей:
| Тип фундаментного основания | Закладной - АВ ОБКМ 12хМ36х1300/1 |
Масса: m=205кг / Размеры: В=560мм, H=1300мм, Dσ=36мм, nσ ...
Масса: m=10кг / Размеры: H=1000мм, В=1500мм, d=48мм ...
Масса: m=10кг / Размеры: H=1000мм, В=1500мм, d=48мм ...
Масса: m=16кг / Размеры: H=1500мм, В=2000мм, d=48мм ...
Масса: m=16кг / Размеры: H=1500мм, В=2000мм, d=48мм ...
Масса: m=20кг / Размеры: H=1000мм, В=1500мм, h=500мм, b=1000мм, d=60мм ...
Масса: m=24кг / Размеры: H=1000мм, В=2000мм, h=600мм, b=1500мм, d=60мм ...
Масса: m=35кг / Размеры: H=1000мм, В=1500мм, h=500мм, b=1000мм, d=60мм ...
Масса: m=44кг / Размеры: H=1000мм, В=2000мм, h=600мм, b=1500мм, d=60мм ...