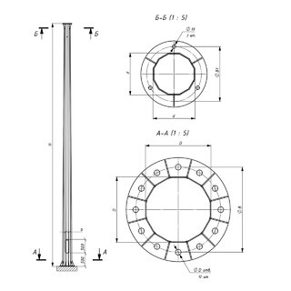
Маса опори: m=765кг / Розрахункове навантаження: P=1,3т / Розміри опори: H=12м, d=220мм, D=500мм / Розміри фланця: B=610мм, B1=290мм, Dотв=39мм, nотв=12шт. / Розміри лючка: h=500мм, b=160мм
| Маса опори | m= 765 кг |
| Розрахункове навантаження | P= 1,3 т |
Розміри опори:
| Висота опори | H= 12 м |
| Верхній діаметр опори | d= 220 мм |
| Нижній діаметр опори | D= 500 мм |
Розміри фланця:
| Міжосьова відстань отворів під кріплення нижнього фланця | В= 610 мм |
| Міжосьова відстань отворів під кріплення верхнього фланця | В1= 290 мм |
| Діаметр отворів під кріплення | Dотв= 39 мм |
| Кількість отворів під кріплення | nотв= 12 шт. |
Розміри лючка:
| Висота лючка | h= 500 мм |
| Ширина лючка | b= 160 мм |
Підбір закладних деталей:
| Тип фундаментної основи | Закладний - АВ ОБКМ 12хМ36х1300/2 |
Маса: m=10кг / Розміри: H=1000мм, В=1500мм, d=48мм ...
Маса: m=10кг / Розміри: H=1000мм, В=1500мм, d=48мм ...
Маса: m=206кг / Розміри: В=610мм, H=1300мм, Dσ=36мм, nσ< ...
Маса: m=16кг / Розміри: H=1500мм, В=2000мм, d=48мм ...
Маса: m=16кг / Розміри: H=1500мм, В=2000мм, d=48мм ...
Маса: m=20кг / Розміри: H=1000мм, В=1500мм, h=500мм, b=1000мм, d=60мм ...
Маса: m=24кг / Розміри: H=1000мм, В=2000мм, h=600мм, b=1500мм, d=60мм ...
Маса: m=35кг / Розміри: H=1000мм, В=1500мм, h=500мм, b=1000мм, d=60мм ...
Маса: m=44кг / Розміри: H=1000мм, В=2000мм, h=600мм, b=1500мм, d=60мм ...