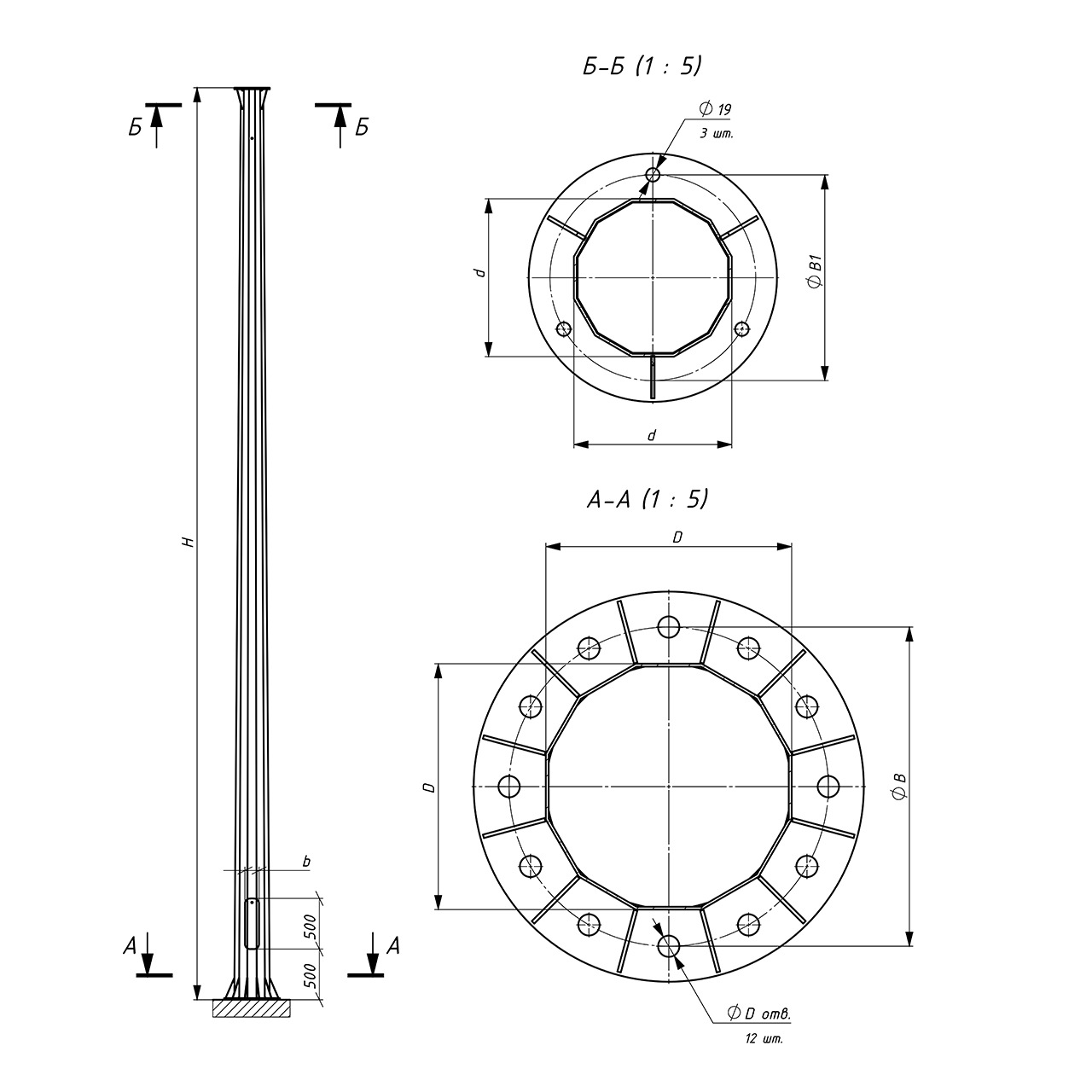
Маса опори: m=557кг / Розрахункове навантаження: P=1,0т / Розміри опори: H=10м, d=220мм, D=400мм / Розміри фланця: B=500мм, B1=290мм, Dотв=33мм, nотв=12шт. / Розміри лючка: h=500мм, b=140мм
| Маса опори | m= 557 кг |
| Розрахункове навантаження | P= 1,0 т |
Розміри опори:
| Висота опори | H= 10 м |
| Верхній діаметр опори | d= 220 мм |
| Нижній діаметр опори | D= 400 мм |
Розміри фланця:
| Міжосьова відстань отворів під кріплення нижнього фланця | В= 500 мм |
| Міжосьова відстань отворів під кріплення верхнього фланця | В1= 290 мм |
| Діаметр отворів під кріплення | Dотв= 33 мм |
| Кількість отворів під кріплення | nотв= 12 шт. |
Розміри лючка:
| Висота лючка | h= 500 мм |
| Ширина лючка | b= 140 мм |
Підбір закладних деталей:
| Тип фундаментної основи | Закладний - АВ ОБКМ 12хМ30х1050 |
Маса: m=123кг / Розміри: В=500мм, H=1050мм, Dσ=30мм, nσ< ...
Маса: m=10кг / Розміри: H=1000мм, В=1500мм, d=48мм ...
Маса: m=10кг / Розміри: H=1000мм, В=1500мм, d=48мм ...
Маса: m=16кг / Розміри: H=1500мм, В=2000мм, d=48мм ...
Маса: m=16кг / Розміри: H=1500мм, В=2000мм, d=48мм ...
Маса: m=20кг / Розміри: H=1000мм, В=1500мм, h=500мм, b=1000мм, d=60мм ...
Маса: m=24кг / Розміри: H=1000мм, В=2000мм, h=600мм, b=1500мм, d=60мм ...
Маса: m=35кг / Розміри: H=1000мм, В=1500мм, h=500мм, b=1000мм, d=60мм ...
Маса: m=44кг / Розміри: H=1000мм, В=2000мм, h=600мм, b=1500мм, d=60мм ...